Sposób i urządzenie do fizycznego modelowania procesu nagniatania dynamicznego rozproszonego
Alternative title
Method and the device for physical modelling of dynamic, scattered burnishing process
Type
Patent
Subtype
Invention
Authors/Creators
Publisher
Urząd Patentowy Rzeczypospolitej Polskiej
Date
2005
Abstract PL
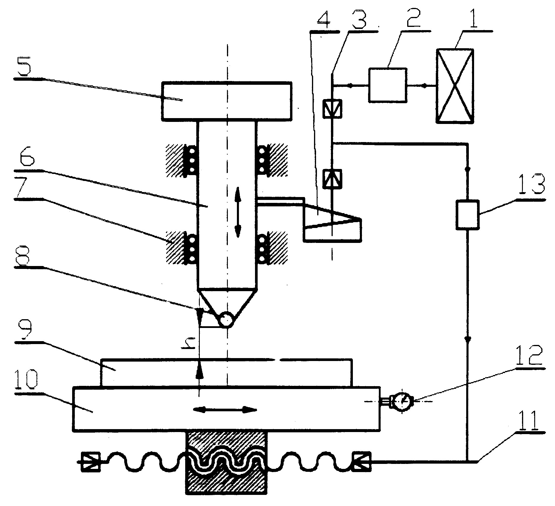
Urządzenie do fizycznego modelowania procesu nagniatania dynamicznego, rozproszonego, zwłaszcza wibracyjnego, ma silnik (1) połączony z przekładnią (2), która przekazuje napęd na wał (3), na którym zamocowana jest na stałe krzywka (4) powodująca ruchy bijaka (6) z obciążnikiem (5), a z wału (3) napęd przekazywany jest poprzez przekładnię (13) na śrubę pociągową (11), która umożliwia ruch posuwowy stołu (10) z mocowanym na nim przedmiotem (9), a położenie początkowe stołu (10) ustalane jest za pomocą czujnika (12).
Date of filing with the Polish Patent Office or with the competent office abroad
2005-08-01
Date of publication in ‘WUP’ or equivalent foreign bulletin
2010-02-26
Exclusive right number
Pat.204685
Zaleski, K. (2005). Sposób i urządzenie do fizycznego modelowania procesu nagniatania dynamicznego rozproszonego. Urząd Patentowy Rzeczypospolitej Polskiej. https://hdl.handle.net/20.500.14629/17008

Loading...
Files
miniaturka.jpg
JPG 277.37 KB
Licence
Accessibility issue?Request a WCAG-compliant file
Publication available in collections: