Walcarka skośna
Alternative title
Skew rolling mill
Type
Patent
Subtype
Invention
Authors/Creators
Publisher
Urząd Patentowy Rzeczypospolitej Polskiej
Date
2016
Abstract PL
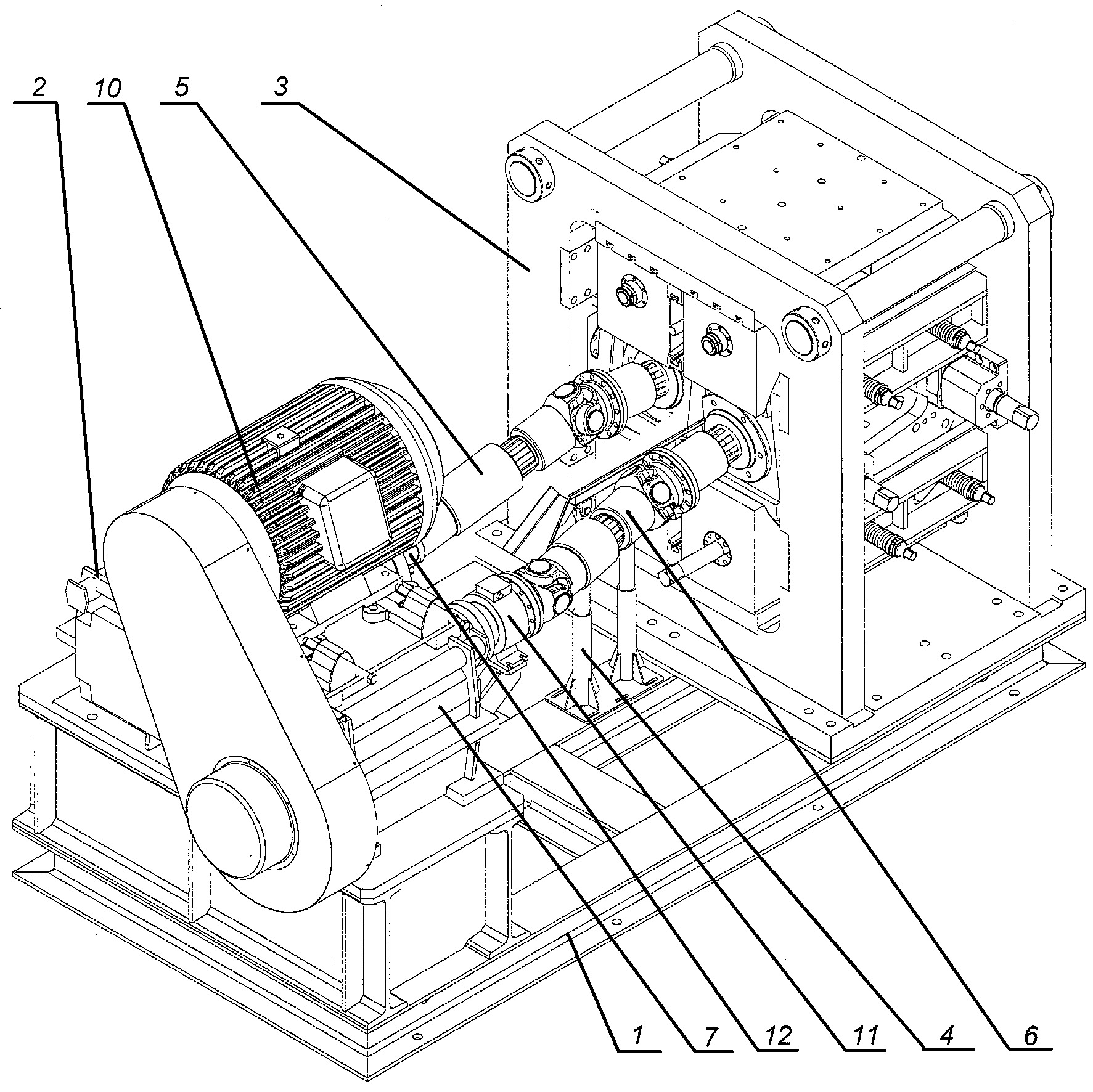
Walcarka skośna, zwłaszcza do walcowania odkuwek, składająca się z przekładni zębatej (7) i przekładni pasowej, silnika elektrycznego (10), szyn naciągowych, sprzęgła ciernego, wałów przegubowych (5, 6), czujnika momentu obrotowego (11), czujników siły nacisku, łożysk tocznych, sprężyn śrubowych, pierścieni uszczelniających, charakteryzuje się tym, że na ramie nośnej (1), z jednej strony przymocowany jest zespół napędowy (2), zaś z drugiej strony znajduje się klatka robocza (3), przy czym zespół napędowy (2) połączony jest z klatką roboczą (3) za pośrednictwem wałów przegubowych (5 i 6), dodatkowo do ramy nośnej (1), między zespołem napędowym (2) a klatką roboczą (3), przymocowany jest zespół rynny odbiorczej (4).
Date of filing with the Polish Patent Office or with the competent office abroad
2016-02-25
Date of publication in ‘WUP’ or equivalent foreign bulletin
2020-12-28
Exclusive right number
Pat.236319
Statistics
Pater, Z., Tomczak, J., & Bulzak, T. (2016). Walcarka skośna. Urząd Patentowy Rzeczypospolitej Polskiej. https://hdl.handle.net/20.500.14629/17349

Files
miniaturka.jpg
JPG 664.8 KB
Licence
Accessibility issue?Request a WCAG-compliant file
Publication available in collections: