Sposób i układ do badań przekształtników sieciowych rozproszonych źródeł generacji energii elektrycznej
Alternative title
Method and the system for testing network converters of scattered electrical energy generation sources
Type
Patent
Subtype
Invention
Authors/Creators
Publisher
Urząd Patentowy Rzeczypospolitej Polskiej
Date
2014
Abstract PL
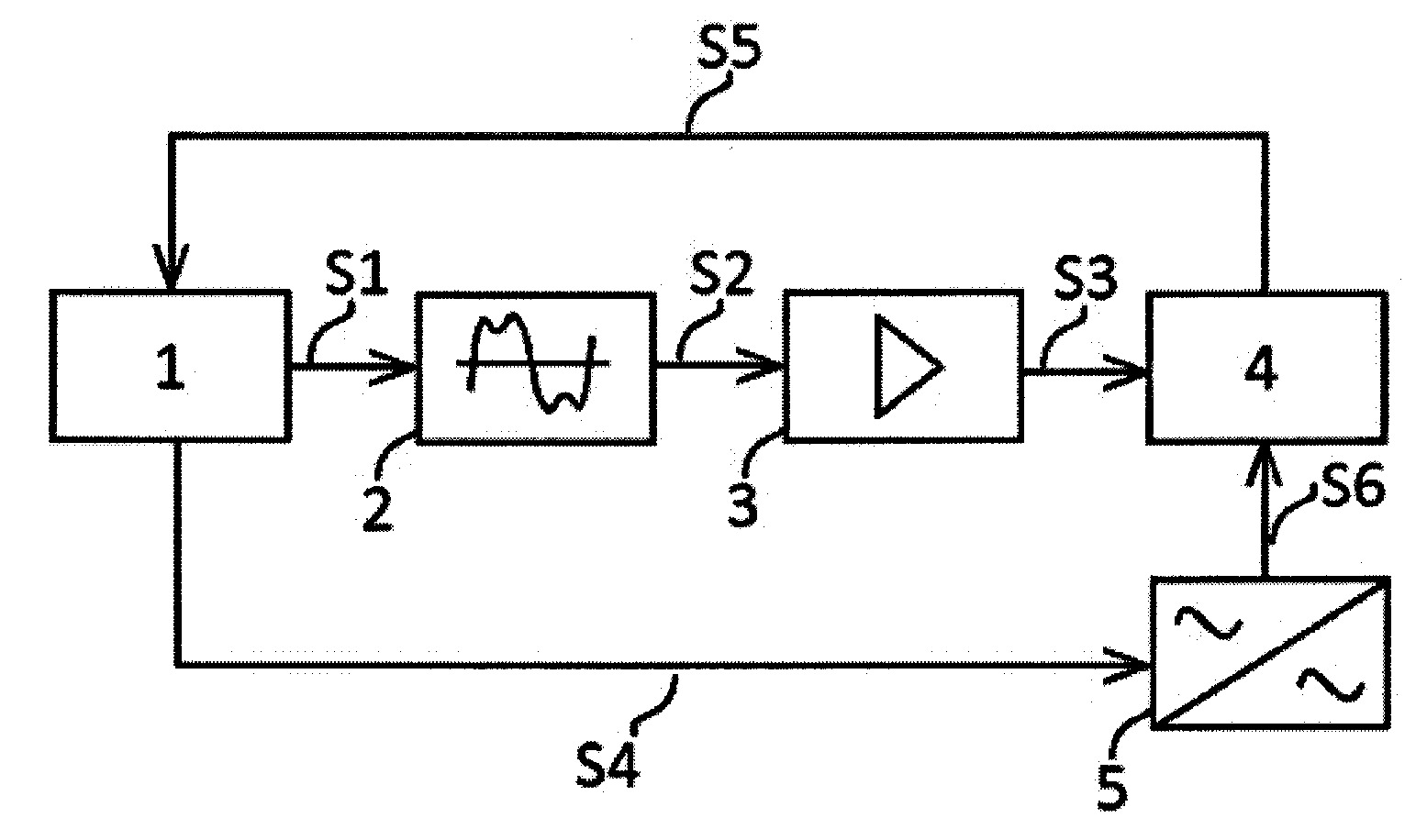
Sposób badań przekształtników sieciowych rozproszonych źródeł generacji energii elektrycznej charakteryzuje się tym, że wyliczony sygnał cyfrowy z jednostki (1) sterującej przekazuje się szyną (s1) sterującą do źródła (2) sygnału sterującego gdzie przetwarza się go za pomocą przetwornika analogowo-cyfrowego. Sygnał analogowy przekazuje się szyną (s2) sterującą do wzmacniacza (3) sygnału sterującego. Po wzmocnieniu sygnał przekazuje się szyną (s3) energetyczną do modelu (4) systemu elektroenergetycznego, w którym dokonuje się pomiaru wartości prądów i napięć na szynach (s3) i (s6) energetycznych. Wyniki pomiarów przekazuje się do jednostki (1) sterującej za pośrednictwem szyny (s5) kontrolno-sterującej. Za pośrednictwem szyny (s6) energetycznej zasila się model (4) systemu elektroenergetycznego z przekształtnika (5). Przekształtnik (5) jest sterowany za pośrednictwem szyny (s4) kontrolno-sterującej z jednostki (1) sterującej.
Date of filing with the Polish Patent Office or with the competent office abroad
2014-04-08
Date of publication in ‘WUP’ or equivalent foreign bulletin
2017-01-31
Exclusive right number
Pat.224668
Statistics
Zieliński, D., Jarzyna, W., & Filipek, P. (2014). Sposób i układ do badań przekształtników sieciowych rozproszonych źródeł generacji energii elektrycznej. Urząd Patentowy Rzeczypospolitej Polskiej. https://hdl.handle.net/20.500.14629/17682

Files
miniaturka.jpg
JPG 145.35 KB
Licence
Accessibility issue?Request a WCAG-compliant file
Publication available in collections: