Urządzenie do wielopozycyjnej obróbki dłutowaniem
Alternative title
Device for multi-position chiselling
Type
Patent
Subtype
Invention
Authors/Creators
Publisher
Urząd Patentowy Rzeczypospolitej Polskiej
Date
2020
Abstract PL
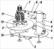
Urządzenie do wielopozycyjnej obróbki dłutowaniem, posiadające uchwyt dłuta, podzielnicę składa się ze stołu (1), do którego od dołu zamocowany jest układ napędowy (2) połączony z podzielnicą (3) zamocowaną do górnej części stołu (1). Do górnej części podzielnicy (3) zamocowany jest uchwyt (12) elementu obrabianego (11). W sąsiedztwie podzielnicy (3) na górnej części stołu znajduje się kolumna teleskopowa (4) z zamocowanym do jej górnej części pierwszym końcem pierwszego siłownika elektrycznego (5), którego drugi koniec z silnikiem krokowym zamocowany jest do stołu (1). Do górnej części kolumny teleskopowej (4) zamocowany jest za pomocą pierwszego zawiasu pierwszy koniec ramienia (6), do którego drugiego końca zamocowane jest dłuto (7). Do ramienia (6), pomiędzy dłutem (7), a pierwszym zawiasem zamocowany jest za pomocą drugiego zawiasu pierwszy koniec drugiego siłownika elektrycznego (8), którego drugi koniec zamocowany jest do górnej części kolumny teleskopowej (4). Układ napędowy (2), pierwszy siłownik elektryczny (5) i drugi siłownik elektryczny (8) połączone są z modułem sterującym (9).
Date of filing with the Polish Patent Office or with the competent office abroad
2020-05-25
Date of publication in ‘WUP’ or equivalent foreign bulletin
2024-05-20
Exclusive right number
Pat.245116
Ciecieląg, K., & Nowicki, M. (2020). Urządzenie do wielopozycyjnej obróbki dłutowaniem. Urząd Patentowy Rzeczypospolitej Polskiej. https://hdl.handle.net/20.500.14629/17920

Loading...
Files
miniaturka.jpg
JPG 570 KB
Licence
Accessibility issue?Request a WCAG-compliant file
Publication available in collections: