Układ i sposób oceny komfortu dźwigu
Alternative title
Method and the system of assessment of a lift comfort
Type
Patent
Subtype
Invention
Authors/Creators
Publisher
Urząd Patentowy Rzeczypospolitej Polskiej
Date
2018
Abstract PL
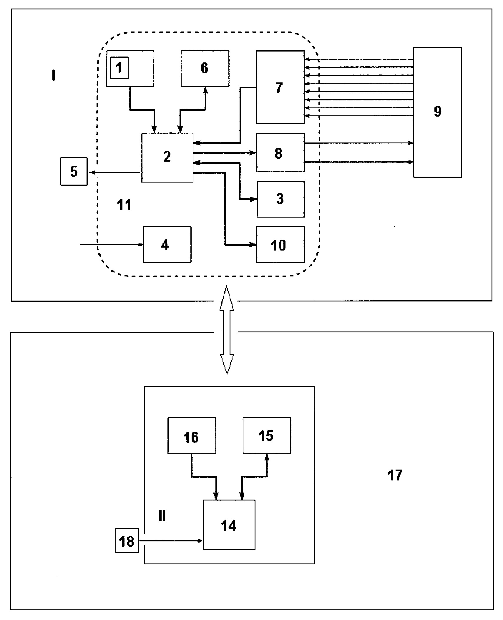
Układ oceny komfortu dźwigu znajdujący się w obudowie (11) posiadający trzy osiowy akcelerometr (1), mikrokontroler (2), moduł pamięci (3), układ zasilania (4) charakteryzuje się tym, że w pierwszym module pomiaru (I) znajduje się mikrokontroler (2) połączony z trzyosiowym akcelerometrem (1) mierzącym w trzech osiach przyspieszenia, prędkości kątowe, oraz mikrokontroler (2) połączony jest z zegarem czasu rzeczywistego (6), a także mikrokontroler (2) połączony jest z modułem pamięci (3) i mikrokontroler (2) połączony jest z modułem wyjść cyfrowych (7) oraz modułem wyjść przekaźnikowych (8), które połączone są ze sterownikiem dźwigu (9), zaś drugi moduł pomiaru (II) składa się z komputera (14) połączonego z urządzeniem do pomiaru tętna (15) mierzącym tętno pasażera kabiny windy (17). Sposób oceny komfortu dźwigu poprzez pomiar przyspieszeń generowanych przez poruszającą się windę polega na tym, że ze sterownika dźwigu (9) pobiera się numer piętra początkowego oraz rejestruje się czas rozpoczęcia pomiaru mierzony za pomocą zegara czasu rzeczywistego (6) i informacje te zapisuje się w module pamięci (3) oraz za pomocą urządzenia do pomiaru tętna (15) mierzy się tętno pasażera kabiny windy (17) i informację tą zapisuje się w pamięci komputera (14), po czym wprawia się kabinę windy (17) w ruch i rejestruje mierzone parametry.
Date of filing with the Polish Patent Office or with the competent office abroad
2018-12-19
Date of publication in ‘WUP’ or equivalent foreign bulletin
2020-05-18
Exclusive right number
Pat.235035
Longwic, R., Szydło, K., & Choniawko, P. (2018). Układ i sposób oceny komfortu dźwigu. Urząd Patentowy Rzeczypospolitej Polskiej. https://hdl.handle.net/20.500.14629/17785

Loading...
Files
miniaturka.jpg
JPG 158.18 KB
Licence
Accessibility issue?Request a WCAG-compliant file
Publication available in collections: